. Cargador USB para uso externo. El cargador Thunderbox USB es ideal para uso externo, como en una moto o quad. La salida USB estándar 5v / 2A está completamente protegida contra la entrada de agua y los cortocircuitos y la entrada puede aceptar un rango de voltajes de 9-16v. Healtech Electronics. HT-TB-USB1.

Productos de calidad Servicio de envío gratuito Hyosung Bomba De

Depósito de gasolina Hyosung Aquila 250 GV 20

Hyosung te 450 sport pilne!! Staszów Sprzedajemy.pl

Tanque De Gasolina Hyosung 650 2008 1,950.00 en Mercado Libre
Troc Echange Vend ou echange quad hyosung 450 TE de 2007 sur France

Hyosung 450 te Billeder af mcer Uploaded af Casper J

DEPÓSITO DE COMBUSTIBLE MOTOCRASHED

Depósito de combustible Ungfu con manguera para minimoto, motor de 2

moteur goes / hyosung 450 / triton

Deposito gasolina Quad Predator Depositos de gasolina motos quad

DEPOSITO PARA TRANSPORTE DE COMBUSTIBLE 200 LITROS BARATO CADIZ

Tanque De Gasolina Hyosung 650 2008 1,950.00 en Mercado Libre
Silnik Hyosung TE 450 SPORT KędzierzynKoźle Ogłoszenie na Allegro

HYOSUNG TE 450 YouTube

Bomba gasolina Hyosung Aquila GV 125

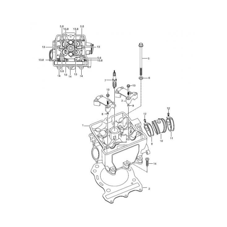
Culasse ou pipe d'admission HYOSUNG 450 TE

Bomba de combustible 15100HG5100 nueva para Hyosung United Motors

Hyosung TE450 plastika

Hyosung TE 450

Depósito de gasolina Hyosung Aquila 250 GV 20
HYOSUNG TE 450 is a powerful and reliable motorcycle that is perfect for a variety of riding conditions. It features a 449cc engine that produces 50 horsepower and 32 lb-ft of torque. The TE 450 also has a six-speed transmission and a hydraulic clutch, making it easy to ride. With its long-travel suspension and lightweight frame, the TE 450 is.. Hyosung TE450 - Pdf User Manuals. View online or download Hyosung TE450 - Manual, Brochure. Sign In Upload. Manuals; Brands; HYOSUNG Manuals; Motorcycle;. HYOSUNG TE 100R - V2. HYOSUNG TE 50 ; HYOSUNG TE 50 - V1 ; HYOSUNG TE 450 - V1 ; HYOSUNG TE 90 ; HYOSUNG TE 100R ; HYOSUNG 2002 Comet 125.